8x8x8 cube
Moderator: T.Hoffmann
hey leute ich hab mir n gaaanz hohes projekt angelacht^^
ich bau mir einen großen cube:
nachdem ich schon nach wenigen tagen an die grenzen des 4x4x4 cubes gestoßen bin und mich das würfelfieber so extrem gepackt hat XD dacht ich mir, wieso nich glei n großen?
hab eh bald geb und dann is die kohle dafür da^^
allerdings hab ich was die elektronik angehtn paar fragen:
also zu erst hab ich gelesen das das viele gleich mit nem prozessor und uuuunmengen an ic´s machen; frage: warum?^^ wers weiß bitte erklärts mir^^
zur selben sache:
kann ich nich einfach sagen wir 4 atmega 8 nehmen und quasi 4 programme parallel schreiben? weil die ic´s ham ja den selben takt und bekommen zeitgleich ihren strom
also sollte das (wenn auch aufwendig wie nochma was) doch funtzen oder?
ich hoffe ihr wollt n how² zu so nem schönen würfelchen sehn und helft mir deshalb^^
mfg, franny
ich bau mir einen großen cube:
nachdem ich schon nach wenigen tagen an die grenzen des 4x4x4 cubes gestoßen bin und mich das würfelfieber so extrem gepackt hat XD dacht ich mir, wieso nich glei n großen?
hab eh bald geb und dann is die kohle dafür da^^
allerdings hab ich was die elektronik angehtn paar fragen:
also zu erst hab ich gelesen das das viele gleich mit nem prozessor und uuuunmengen an ic´s machen; frage: warum?^^ wers weiß bitte erklärts mir^^
zur selben sache:
kann ich nich einfach sagen wir 4 atmega 8 nehmen und quasi 4 programme parallel schreiben? weil die ic´s ham ja den selben takt und bekommen zeitgleich ihren strom
also sollte das (wenn auch aufwendig wie nochma was) doch funtzen oder?
ich hoffe ihr wollt n how² zu so nem schönen würfelchen sehn und helft mir deshalb^^
mfg, franny
- Beatbuzzer
- Auserwählter

- Beiträge: 3177
- Registriert: Fr, 17.08.07, 11:02
- Wohnort: Alfeld / Niedersachsen
- Kontaktdaten:
Es gibt auch noch größere µCs. Z.B. den Atmega640 / 1280 / 2560 ...
Die haben 86 programmierbare I/O Pins und entsprechend 64 / 128 / 256 kB Flash.
Mit 8x8 = 64 und 8 in der Höhe brauchst du bei Standard Multiplexing 72 Pins. Dabei muss für jeden Ausgang ein Transistor ala BC547 oder BC847 als SMD her. Für die Ebenen sind auch schon Logic Level FETs angebracht.
Das wäre zumindest eine Möglichkeit, es nach herkömmlicher Art zu machen. Allerdings ist die Verarbeitung schon etwas schwieriger, wenn man sich das Package vom µC mal ansieht
.
Die haben 86 programmierbare I/O Pins und entsprechend 64 / 128 / 256 kB Flash.
Mit 8x8 = 64 und 8 in der Höhe brauchst du bei Standard Multiplexing 72 Pins. Dabei muss für jeden Ausgang ein Transistor ala BC547 oder BC847 als SMD her. Für die Ebenen sind auch schon Logic Level FETs angebracht.
Das wäre zumindest eine Möglichkeit, es nach herkömmlicher Art zu machen. Allerdings ist die Verarbeitung schon etwas schwieriger, wenn man sich das Package vom µC mal ansieht
ja schon^^ nur erst ma n neuen programmer zambasteln um son riesenchip zu beschreiben?^^
ich hab auch schon was von xyz mutliplexing gelesen (aba bis etz noch nich den durchblick wie ich das machen sollte^^)
also 8 mal höhe 8mal tiefe 8 mal breite
weis nich wie ich mir das vorstellen sollte^^
so in etwa die in die breite könnten die ebenen sein, und die in die tiefe eine verlängerung der stäbe, oder i-wie anders... kein blassen^^... muss ich nochma nachlesen
ok zurück zum programmer: gäbe es da preislich akzeptable lösungen?
mfg, franny
ich hab auch schon was von xyz mutliplexing gelesen (aba bis etz noch nich den durchblick wie ich das machen sollte^^)
also 8 mal höhe 8mal tiefe 8 mal breite
weis nich wie ich mir das vorstellen sollte^^
so in etwa die in die breite könnten die ebenen sein, und die in die tiefe eine verlängerung der stäbe, oder i-wie anders... kein blassen^^... muss ich nochma nachlesen
ok zurück zum programmer: gäbe es da preislich akzeptable lösungen?
mfg, franny
- Beatbuzzer
- Auserwählter

- Beiträge: 3177
- Registriert: Fr, 17.08.07, 11:02
- Wohnort: Alfeld / Niedersachsen
- Kontaktdaten:
Das sollte bei einem 8x8x8 Cube wohl das geringste Problem sein, mal eben die geschätzten 10 Teile für nen Programmer hinlötenFranny hat geschrieben:ja schon^^ nur erst ma n neuen programmer zambasteln um son riesenchip zu beschreiben?^^
Prinzipiell ändert sich da nichts. Der Atmega640 hat genauso die MISO MOSI SCK Anschlüsse wie auch Attiny45, Atmega8 usw.
Der Programmer sollte allerdings mit in die Cube-Schaltung rein und einen Stecker bekommen. So kann man dann den ganzen Cube gleich an PC anschließen, und muss nicht den Atmega640 erst >>auslöten<<
ich hab schon gsehn des wird bei dem "viech" eh verdammt witzig des einzulöten^^
ich mach mir au noch a weng sorgen um die statik das muss ja au ordentlich halten uuund um die stromversorgen^^ da brauch ihc bestimmt nich wie bei meinem kleinen n reihenschaltung von 3 aa´s nehmen xD naja ok das is aba au das kleinste problem gibt ja überall 5v nt´s
was is den deiner meinung nach das größste prob?
mfg
ich mach mir au noch a weng sorgen um die statik das muss ja au ordentlich halten uuund um die stromversorgen^^ da brauch ihc bestimmt nich wie bei meinem kleinen n reihenschaltung von 3 aa´s nehmen xD naja ok das is aba au das kleinste problem gibt ja überall 5v nt´s
was is den deiner meinung nach das größste prob?
mfg
- Beatbuzzer
- Auserwählter

- Beiträge: 3177
- Registriert: Fr, 17.08.07, 11:02
- Wohnort: Alfeld / Niedersachsen
- Kontaktdaten:
Meiner Ansicht nach gibt es kein größtes Problem. Da das Prinzip das gleiche bleibt, wie bei nem kleinen Würfel wird es einfach nur allgemein aufwendiger.
Für den µC würde ich eine Platine bei einem Shop herstellen lassen, wo auch gleich alle Transistoren in SMD-Format mit drauf kommen. Das auflöten der Teile kann dann fummelig werden, aber da gibts auch paar Tricks. Wenigstens hat man eine vernünftige Platine.
Zum Strom:
Ich würde einen LED-Strom von 40mA vorsehen. Das macht bei 1/8 An-Zeit dann ungefähr eine Helligkeit, wie bei 5mA Dauerbetrieb, was für aktuelle superhelle LEDs doch ausreichend ist.
Eine Ebene braucht dann max. 2,56A, wenn also alle LEDs im Würfel an sind, gehen alleine für die LEDs 2,56A hin. Den µC und Steuerteil kann man dabei wohl vernachlässigen. Und unter 3A sind auch für Mignonzellen noch kein Problem, zumal der Würfel ja nicht permanent zu 100% an ist.
Aber Netzteil ist trotzdem besser. Eins mit 3-3,5A reicht völlig und die gibts als Steckernetzteil günstig zu haben.
Das Programm wird auch ne Ecke aufwendiger. Für jeden Port ein Datensatz und das in 8 Ebenen pro Bild.
Macht 72 Datensätze pro Bild
. Aber es stehen ja auch in kleinster Version 64K Flash zur Verfügung. Wenn man also genug Langeweile hat, passen da trotzdem ordentlich Bilder rein.
Für den µC würde ich eine Platine bei einem Shop herstellen lassen, wo auch gleich alle Transistoren in SMD-Format mit drauf kommen. Das auflöten der Teile kann dann fummelig werden, aber da gibts auch paar Tricks. Wenigstens hat man eine vernünftige Platine.
Zum Strom:
Ich würde einen LED-Strom von 40mA vorsehen. Das macht bei 1/8 An-Zeit dann ungefähr eine Helligkeit, wie bei 5mA Dauerbetrieb, was für aktuelle superhelle LEDs doch ausreichend ist.
Eine Ebene braucht dann max. 2,56A, wenn also alle LEDs im Würfel an sind, gehen alleine für die LEDs 2,56A hin. Den µC und Steuerteil kann man dabei wohl vernachlässigen. Und unter 3A sind auch für Mignonzellen noch kein Problem, zumal der Würfel ja nicht permanent zu 100% an ist.
Aber Netzteil ist trotzdem besser. Eins mit 3-3,5A reicht völlig und die gibts als Steckernetzteil günstig zu haben.
Das Programm wird auch ne Ecke aufwendiger. Für jeden Port ein Datensatz und das in 8 Ebenen pro Bild.
Macht 72 Datensätze pro Bild
ok ich seh schon das wird verdammt witzig xD vermutlich ein "nach-abi" projekt (das wird sonst zuviel in nächster zeit)
meinst du quasi an jeden stab n "kleinen" transistor mit dem ich die 40 ma schalten kann und an die ebenen jeweils n fet? (btw. n 40ma puls wird ne normale superhelle schon aushalten^^)
tricks wirst du mir sicher verraten wenns so weit is oder?^^
zur platine: kennst du da passende shops? bzw. was muss ich dene alles liefern, nur das layout + bezahlung?^^ (wie teuer kann das wohl werden?)
was das layout angeht: da kööööönnte es passieren das ich ein bisschen hilfe brauch... da bei mir im praktikum (11. klasse fos) mein elektro lehrer n ausfall hatte und ich ne ewigkeit n ersatz hatte der diesen teil nich ma ansatzweise besprochen hat...
mfg
ps: ich hoff doch ma das da die 64k reichen weil bei der 2560er version gab mir google seeehr unterschiedliche preise aus: von 9,i-was euro (Reichelt) bis zu über 500 euro (?)
meinst du quasi an jeden stab n "kleinen" transistor mit dem ich die 40 ma schalten kann und an die ebenen jeweils n fet? (btw. n 40ma puls wird ne normale superhelle schon aushalten^^)
tricks wirst du mir sicher verraten wenns so weit is oder?^^
zur platine: kennst du da passende shops? bzw. was muss ich dene alles liefern, nur das layout + bezahlung?^^ (wie teuer kann das wohl werden?)
was das layout angeht: da kööööönnte es passieren das ich ein bisschen hilfe brauch... da bei mir im praktikum (11. klasse fos) mein elektro lehrer n ausfall hatte und ich ne ewigkeit n ersatz hatte der diesen teil nich ma ansatzweise besprochen hat...
mfg
ps: ich hoff doch ma das da die 64k reichen weil bei der 2560er version gab mir google seeehr unterschiedliche preise aus: von 9,i-was euro (Reichelt) bis zu über 500 euro (?)
Der ATMEGA 2560-16AU von Reichelt für ca. 10€ ist schon richtig.
Layout: Da wirst Du wohl um Eagle o.ä. nicht rumkommen. Die großen AVRs sind alle SMD (TQFP100 Gehäuse), die kann man nicht mehr auf Lochraster verarbeiten
Platinenkosten sind gar nicht soo schlimm. Ich vermute mal etwa 15-20€.
Layout: Da wirst Du wohl um Eagle o.ä. nicht rumkommen. Die großen AVRs sind alle SMD (TQFP100 Gehäuse), die kann man nicht mehr auf Lochraster verarbeiten
Platinenkosten sind gar nicht soo schlimm. Ich vermute mal etwa 15-20€.
jo ty^^
au wenn hier eigentlich links zu anderen shops verboten sind xD
hast du i-einen in petto?
mfg, franny
au wenn hier eigentlich links zu anderen shops verboten sind xD
hast du i-einen in petto?
mfg, franny
Am billigsten ist wohl:
http://www.platinenbelichter.de/html/preise.html
Bei den semiprofessionellen Diensten soll Bilex recht brauchbar sein:
http://www.bilex-lp.com/user_d/index.php
http://www.platinenbelichter.de/html/preise.html
Bei den semiprofessionellen Diensten soll Bilex recht brauchbar sein:
http://www.bilex-lp.com/user_d/index.php
ok leutz hab mir etz glei ma die eagle light version gsaugt^^ und widda ma 2 sachen:
- son prog blickt man ohne einführung ned gscheit xD hab scho n paar tuts glesen aba das half noch nich so viel
- kann ich mit der nur ziemlich kleine layouts machen die denk ich ned reichen werden für alles^^
also was nun?
mfg
- son prog blickt man ohne einführung ned gscheit xD hab scho n paar tuts glesen aba das half noch nich so viel
- kann ich mit der nur ziemlich kleine layouts machen die denk ich ned reichen werden für alles^^
also was nun?
mfg
Sorry, ohne Dich mit Eagle oder Target o.ä. 'rumzuquälen' wird es nicht gehen. Da ist eine Menge Einarbeitungszeit nötig, die kann Dir aber niemand abnehmen.son prog blickt man ohne einführung ned gscheit xD hab scho n paar tuts glesen aba das half noch nich so viel
Das hängt (fast) nur davon ab, wie gut Du das Layout erstellst. Eine halbe Europlatine (8x10cm) ist gar nicht so wenig.kann ich mit der nur ziemlich kleine layouts machen die denk ich ned reichen werden für alles
Dieses Projekt war/ist bestimmt ähnlich groß: http://elmicro.com/en/kit12.html und wurde (angeblich!) auch mit der Demo erstellt.
- Beatbuzzer
- Auserwählter

- Beiträge: 3177
- Registriert: Fr, 17.08.07, 11:02
- Wohnort: Alfeld / Niedersachsen
- Kontaktdaten:
Ich hab beides schon mal ausprobiert, und würde dir Target 3001 empfehlen. Weil damit bin ich zumindest gleich von Anfang an besser klar gekommen, als mit Eagle.
Der Vorteil ist halt, dass du erst den Schaltplan zeichnest und dann das ganze in eine Platine umsetzen kannst. Und sooo aufwendig ist die Schaltung auch nicht, es ist halt nur recht viel mit 72 Transistoren und 100 Pins am µC
.
Nebenbei würde ich dir für die 64 Stäbe NPN Transistoren ala BC847 empfehlen und dann für die Ebenen PNP FETs. So musst du im Programm nur die Ebenen als invertiert betrachten, und da man an den Ebenen eh später nichts mehr ändern muss, ist das dann halb so schlimm. Einen zusätzlichen Transistor zum invertieren halte ich für überflüssig.
Dann packst du den µC in die Mitte und ziehst jeden benötigten I/O Port soweit raus, bis nach rechts und links genug Platz für den Transistor ist. Außen um die Platine gibts eine (breite) Massebahn und da werden alle Emitter draufgelegt. an die Collectoren kommt noch ein SMD Widerstand für die LEDs und dann ein Lötpad (von mir aus auch mit Bohrung), wo man später eine Litze drauflöten kann.
So nach dem Schema sollte man ohne Probleme und mit wenig Brücken auskommen.
EDIT: Sieh dir mal das PDF hier an:
http://www.ibfriedrich.com/TARGET_3001.pdf
Der Vorteil ist halt, dass du erst den Schaltplan zeichnest und dann das ganze in eine Platine umsetzen kannst. Und sooo aufwendig ist die Schaltung auch nicht, es ist halt nur recht viel mit 72 Transistoren und 100 Pins am µC
Nebenbei würde ich dir für die 64 Stäbe NPN Transistoren ala BC847 empfehlen und dann für die Ebenen PNP FETs. So musst du im Programm nur die Ebenen als invertiert betrachten, und da man an den Ebenen eh später nichts mehr ändern muss, ist das dann halb so schlimm. Einen zusätzlichen Transistor zum invertieren halte ich für überflüssig.
Dann packst du den µC in die Mitte und ziehst jeden benötigten I/O Port soweit raus, bis nach rechts und links genug Platz für den Transistor ist. Außen um die Platine gibts eine (breite) Massebahn und da werden alle Emitter draufgelegt. an die Collectoren kommt noch ein SMD Widerstand für die LEDs und dann ein Lötpad (von mir aus auch mit Bohrung), wo man später eine Litze drauflöten kann.
So nach dem Schema sollte man ohne Probleme und mit wenig Brücken auskommen.
EDIT: Sieh dir mal das PDF hier an:
http://www.ibfriedrich.com/TARGET_3001.pdf
ok dann hol ich mir das dann auch gleich noch^^
aber nicht zu vergessen das ich die teile für den self-made programmer au noch mit drauf bringen muss^^ (muss ich mich au noch schlau machen was wie wohin gehört^^)
soweit schon ma herzlichen dank
mfg
aber nicht zu vergessen das ich die teile für den self-made programmer au noch mit drauf bringen muss^^ (muss ich mich au noch schlau machen was wie wohin gehört^^)
soweit schon ma herzlichen dank
mfg
- Beatbuzzer
- Auserwählter

- Beiträge: 3177
- Registriert: Fr, 17.08.07, 11:02
- Wohnort: Alfeld / Niedersachsen
- Kontaktdaten:
Die Teile könntest du zur Not auch weglassen und einen Stecker auflöten und den Programmer dann separat aufbauen. Dann kannst zum programmieren einfach Stecker dran und gut. Solltest du nochmal mehr solcher Projekte bauen, brauchst du immer einfach nur nen Stecker dranlöten und kannst mit deinem Programmer direkt an die Schaltung gehen.
sehr praktisch gedacht^^
nur damit ich das richtig verstehe ich bräuchte dann auf der ic platine nur ein paar leiterbahnen vom ic zum stecker machen oder?
vermutlich an ein sub-d verlängerungskabel anschliesen und das gegenstück dann an den kontroller hauen
richtig soweit?
nur damit ich das richtig verstehe ich bräuchte dann auf der ic platine nur ein paar leiterbahnen vom ic zum stecker machen oder?
vermutlich an ein sub-d verlängerungskabel anschliesen und das gegenstück dann an den kontroller hauen
richtig soweit?
- Beatbuzzer
- Auserwählter

- Beiträge: 3177
- Registriert: Fr, 17.08.07, 11:02
- Wohnort: Alfeld / Niedersachsen
- Kontaktdaten:
Kannst dir einen Stecker aussuchen der dir gefällt. Einer für Printmontage wäre natürlich ideal. Dran sein müssen: MISO, MOSI, SCK, Reset, GND, 5V. Sprich 6 Pins muss er mindestens haben.
Wo du die am IC findest, lässt sich ja in der Übersicht im Datenblatt gut erkennen.
Wo du die am IC findest, lässt sich ja in der Übersicht im Datenblatt gut erkennen.
ja war mir soweit kla^^ hab nur etz den als bekanntes beispiel gebracht^^
also ich werd mich etz erst ma kommende woche eeextremst auf schule konzentrieren müssen aba sobald da ma widda zeit für is mach ich den thröt widda auf^^
bzw. falls fragen auftauchen und wie ich mich kenn.... tun sie das auch xD
also danke soweit
mfg, franny
also ich werd mich etz erst ma kommende woche eeextremst auf schule konzentrieren müssen aba sobald da ma widda zeit für is mach ich den thröt widda auf^^
bzw. falls fragen auftauchen und wie ich mich kenn.... tun sie das auch xD
also danke soweit
mfg, franny
alsoooo ich schreib doch glei nochma was^^
ich hab mit etz des target 3001 gladen
und hab genau eine seite von dem ic mit transistoren bestückt bekomm etz aba immer ne meldung vonwegen grenzen der version überschritten^^ denk liegt vermutlich daran das ich nix geblecht hab
gibts also i-ne möglichkeit das zu umgehen?
also evtl noch ma n anderes prog das komplett freeware is? oda hab ich mir nur die falsche version gladen^^
weil so langsam wird das alles mit platine ätzen und 72 transis usw usw doch teuer und wär ganz praktisch wenn ich die kosten für das layout sparen könnte^^
mfg
ich hab mit etz des target 3001 gladen
und hab genau eine seite von dem ic mit transistoren bestückt bekomm etz aba immer ne meldung vonwegen grenzen der version überschritten^^ denk liegt vermutlich daran das ich nix geblecht hab
gibts also i-ne möglichkeit das zu umgehen?
also evtl noch ma n anderes prog das komplett freeware is? oda hab ich mir nur die falsche version gladen^^
weil so langsam wird das alles mit platine ätzen und 72 transis usw usw doch teuer und wär ganz praktisch wenn ich die kosten für das layout sparen könnte^^
mfg
Es gibt bei PCB-POOL (prof. Platinenhersteller) eine quasi uneingeschränkte Target-Version. Quasi uneingeschränkt weil es zwar keine Größen/Pin-Anzahl Beschränkung gibt, aber dafür MUSST Du die Platine auch bei PCB-POOL herstellen lassen. Ist zwar teurer als z.B. Bilex, aber dafür ist die Layouterstellung mit Target3001 kostenlos:
http://www.pcb-pool.com/ppde/service_downloads.html
Ganz umsonst ist nur der...
http://www.pcb-pool.com/ppde/service_downloads.html
Ganz umsonst ist nur der...
ja dann hab ich noch ne frage an beatbuzzer
weil eig muss ich doch ne "+"-bahn hinmachen die collectoren da drauf ziehen, an die basis n widerstand und an die emitter auch n widerstand und eben die anschlüssen für die stäbe
die ebenen dann "einfach" den collector der fets und da auch an die basis n widerstand
je nachdem was richtig is bitte bescheid geben^^ (wenn beatbuzzer recht hat bitte erklären was ich hier durcheinander bring^^)
mfg
hab ich da was falsch verstanden oda hat beati n fehler gmacht?Beatbuzzer hat geschrieben:Dann packst du den µC in die Mitte und ziehst jeden benötigten I/O Port soweit raus, bis nach rechts und links genug Platz für den Transistor ist. Außen um die Platine gibts eine (breite) Massebahn und da werden alle Emitter draufgelegt. an die Collectoren kommt noch ein SMD Widerstand für die LEDs und dann ein Lötpad (von mir aus auch mit Bohrung), wo man später eine Litze drauflöten kann.
So nach dem Schema sollte man ohne Probleme und mit wenig Brücken auskommen
weil eig muss ich doch ne "+"-bahn hinmachen die collectoren da drauf ziehen, an die basis n widerstand und an die emitter auch n widerstand und eben die anschlüssen für die stäbe
die ebenen dann "einfach" den collector der fets und da auch an die basis n widerstand
je nachdem was richtig is bitte bescheid geben^^ (wenn beatbuzzer recht hat bitte erklären was ich hier durcheinander bring^^)
mfg
- Beatbuzzer
- Auserwählter

- Beiträge: 3177
- Registriert: Fr, 17.08.07, 11:02
- Wohnort: Alfeld / Niedersachsen
- Kontaktdaten:
Ne da hab ich schon recht
.
Der Emitter ist bei NPN Transistoren Minus. Und der kommt bei Schaltanwendungen auch unmittelbar direkt an Minus dran. Die basis kommt übern Widerstand an den µC. Und der Collector ist dann der Ausgang, an dem du das verstärkte Signal abnehmen kannst.
Bei PNP Transistoren muss der Emitter zu Plus. Also direkt dran. Die Basis ist wieder der Steuereingang, nur das diesmal mit negativem Signal geschaltet wird. Am Collector kann man dann wieder das verstärkte Signal abnehmen, nur dieses Mal eben zu Minus bezogen.
Da wir für die Stäbe/Säulen NPN Transistoren verwenden wollen, gilt der erste Absatz.
Der Emitter ist bei NPN Transistoren Minus. Und der kommt bei Schaltanwendungen auch unmittelbar direkt an Minus dran. Die basis kommt übern Widerstand an den µC. Und der Collector ist dann der Ausgang, an dem du das verstärkte Signal abnehmen kannst.
Bei PNP Transistoren muss der Emitter zu Plus. Also direkt dran. Die Basis ist wieder der Steuereingang, nur das diesmal mit negativem Signal geschaltet wird. Am Collector kann man dann wieder das verstärkte Signal abnehmen, nur dieses Mal eben zu Minus bezogen.
Da wir für die Stäbe/Säulen NPN Transistoren verwenden wollen, gilt der erste Absatz.
ja ich frag mich nur^^ (oh gott ich komm mir vor wien übermäsiger noob xD)
wo die spannung herkommen soll wenn nirgends n pluspol angeschlossen hab^^ oder meinst du den strom vom nt direkt an die leds anzulegen und die transis nur als schalter zu verwenden? evtl steh ich au grad nur übelst am schlauch
wo die spannung herkommen soll wenn nirgends n pluspol angeschlossen hab^^ oder meinst du den strom vom nt direkt an die leds anzulegen und die transis nur als schalter zu verwenden? evtl steh ich au grad nur übelst am schlauch
- Beatbuzzer
- Auserwählter

- Beiträge: 3177
- Registriert: Fr, 17.08.07, 11:02
- Wohnort: Alfeld / Niedersachsen
- Kontaktdaten:
Und? Passiert jedem malFranny hat geschrieben:evtl steh ich au grad nur übelst am schlauch
Nebenbei: Wir hatten hier schon viel schlimmere, die irgendwas "riesiges"bauen wollten, und mit knapper Not wussten, an welchem Ende der Lötkolben heiß wird...
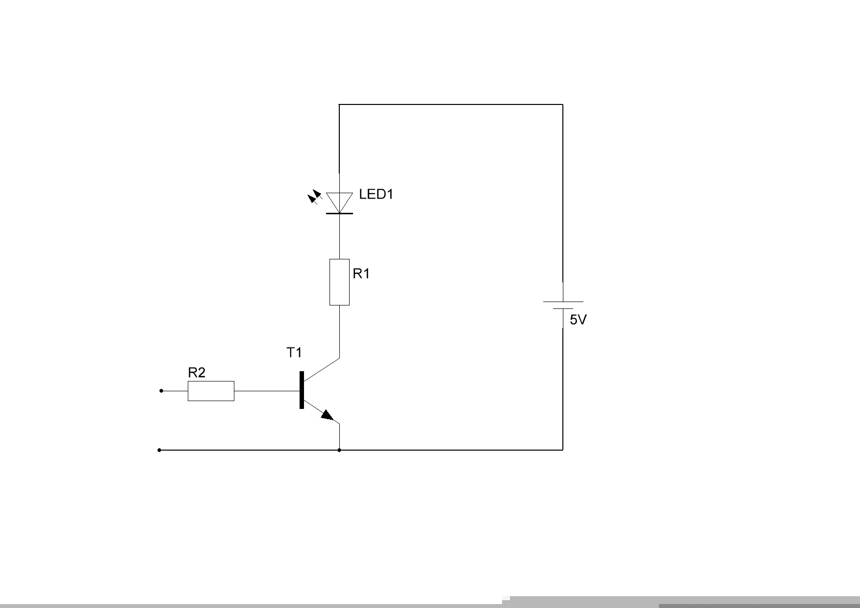
Hab hier mal ein Plan gemacht. Das wäre ein Beispiel zur Schaltung von einem Stab/Säule im Würfel. Links gehts dann zum µC.
ja also des nt generell an die leds ranhauen und dann den transi als schalter benutzen^^
das is soweit scho sinn voll aba wirft bei mir widda ne frage auf^^ oda eher 2^^
a: des macht den aufbau um einiges umständlicher wie ich mir des grad vorstell
b: damit is die kathode von den leds ja schon versorg wie also die ebenen einbringen?
ich hab mir erlaubt ma ne "falsche" zeichnung zu machen is evtl (für mein gestraftes hirn) einfacher des zu verstehen wenn du mir anhand meiner sagst warum die ned geht xD is eben doch scho widda n jahr her mit die transistoren-_-
das is soweit scho sinn voll aba wirft bei mir widda ne frage auf^^ oda eher 2^^
a: des macht den aufbau um einiges umständlicher wie ich mir des grad vorstell
b: damit is die kathode von den leds ja schon versorg wie also die ebenen einbringen?
ich hab mir erlaubt ma ne "falsche" zeichnung zu machen is evtl (für mein gestraftes hirn) einfacher des zu verstehen wenn du mir anhand meiner sagst warum die ned geht xD is eben doch scho widda n jahr her mit die transistoren-_-
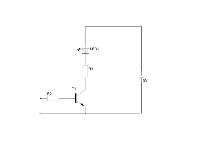
- Dateianhänge
-
- vorschalf.jpg (12.12 KiB) 16687 mal betrachtet


