Frage zu SuFlu an Spannungsversorgung eines Rollers

Hier werden Fragen zu LED-Grundlagen beantwortet...

Moderator: T.Hoffmann

Antworten
jini67
Mini-User
Beiträge: 2
Registriert: So, 09.09.07, 14:10

So, 09.09.07, 15:00

Ich habe mich ein wenig eingelesen scheint interessant zu sein und auch sehr interessante Meinungen. Ich bin nicht so ein Schreiber mehr Leser, man hat mich durch einen Beitrag auf dieses Forum drauf aufmerksam gemacht http://www.problems-solution.com/
Und wollte mich jetzt erstmal ein wenig zu Recht finden! Werde jetzt mal öfter hier reinschauen! Ich hoffe das ich für mein Problem hier auch eine Lösung finden! Ich will an meinen Roller eine Superflux LED einbauen ( die 3 - farbige ) . In der Artikelbeschreibung steht das sich die Farben mischen lassen können indem man mehr Spannung gibt....aber wie kann ich mehr Spannung geben ??
Mit einem Potentiometer ?? wenn ja wie soll ich diesen an die 12 Volt Batterie von dem Roller anschließen ?
und wie soll ich die Superflux überhaupt anschließen....hab die vorgestern zum erstenmal überhaupt gesehen ... schließt man die genauso an wie "normale" LED's ??
Muss da der Plupol zum Potentiometer oder zur Batterie ?!?! Oder die "Farb-Pins" zum Potentiometer ???
Benutzeravatar
Jay
Hyper-User
Hyper-User
Beiträge: 1096
Registriert: Mo, 08.05.06, 07:54
Wohnort: Österreich

So, 09.09.07, 16:05

hi

ich würde den Titel erstmal ändern...
den aufbau der RGB SuperFlux kanst du hier sehen.
526_RGB_SuperFlux_1.png
526_RGB_SuperFlux_1.png (4.13 KiB) 4528 mal betrachtet
ich würd sagen an die Anode (Pluspol, positive Elektrode) ein 680 Ohm widerstand
und an die anderen 3 je ein 1kOhm Poti ;-)

das ist das einfachste für ein anfänger

MfG
Jay
Benutzeravatar
Scorpion
Ultra-User
Ultra-User
Beiträge: 918
Registriert: Fr, 20.07.07, 13:07

So, 09.09.07, 16:27

mh aber warscheinlcih am besten eine Konstandstromquelle davor und vielleciht so einen "Step-Up-Wandler" ( weis selber nicht genau wie dieser funktioniert aber hab n vielen themen davon gehört wo er vor eine battarie geschalten wurde da diese in der spannung ja zusammenbricht bei entladung ...) da die batterie beim entladen ja an Spannung verliert und beim Laden auch oftmals weit über 12 V (bis zu 14V!) bekommen kann was den Superflux gar nicht gut täte...
Benutzeravatar
Sailor
Moderator
Beiträge: 9427
Registriert: Di, 28.11.06, 22:16
Wohnort: Saarland, Deutschland und die Welt

So, 09.09.07, 17:10

Scorpion hat geschrieben:mh aber warscheinlcih am besten eine Konstandstromquelle davor und vielleciht so einen "Step-Up-Wandler" ( weis selber nicht genau wie dieser funktioniert aber hab n vielen themen davon gehört wo er vor eine battarie geschalten wurde da diese in der spannung ja zusammenbricht bei entladung ...) da die batterie beim entladen ja an Spannung verliert und beim Laden auch oftmals weit über 12 V (bis zu 14V!) bekommen kann was den Superflux gar nicht gut täte...
Wolltest Du damit nur sagen, dass Du nichts dazu sagen kannst und keine Ahnung von dem hast, was Du schreibst?

Zu dem von Jay gesagten noch eine kleine Ergänzung:

Plus der LED kommt über den Widerstand an Plus von der Batterie.

Die drei Farbbeinchen, die in Jay´s Zeichnung mit - bezeichnet sind, kommen über die Potis an Minus der Batterie.

Besser ist es jedoch, statt dem Zentralwiderstand wie von Jay vorgeschlagen, in Reihe zu den Potis jeweils einen passenden Vorwiderstand einzulöten: 670 Ohm für Rot und jeweils 560 Ohm für die beiden anderen Farben.

Mit dem Zentralwiderstand lassen sich die Farben nicht so gut einstellen.

Mehr oder weniger Spannung gibst Du dann übere drei Potis, so dass sich die Farben entsprechend der Potis mischen.

Herzlich Willkommen im Forum!

Ich habe Deinen Titel geändert.
Benutzeravatar
jm2_de
Hyper-User
Hyper-User
Beiträge: 1188
Registriert: Sa, 06.01.07, 01:26

So, 09.09.07, 18:08

Das Bild kann auch nicht stimmen, es gibt 2x Plus und 2x Minus Beinchen.
Habe ja bei meiner Aluleiste (im How2 Bereich) immer jeweils zwei zusammengelötet,
würde das Bild stimmen müsste ich da ja einen Kurzschluss haben :roll:
Benutzeravatar
Jay
Hyper-User
Hyper-User
Beiträge: 1096
Registriert: Mo, 08.05.06, 07:54
Wohnort: Österreich

So, 09.09.07, 18:16

ähm wir reden die ganze zeit von der RGB SuperFlux nicht von den normalen
hier mal der unterschied
526_SuperFlux_1.png
526_SuperFlux_1.png (3.63 KiB) 4532 mal betrachtet
und noch
526_AnodeKathode_1.png
526_AnodeKathode_1.png (2.87 KiB) 4531 mal betrachtet
MfG
Jay
Zuletzt geändert von Jay am So, 09.09.07, 18:18, insgesamt 2-mal geändert.
Benutzeravatar
Sailor
Moderator
Beiträge: 9427
Registriert: Di, 28.11.06, 22:16
Wohnort: Saarland, Deutschland und die Welt

So, 09.09.07, 18:16

Hättest Du auch, wenn Du RGB-SuFlus verwendet hättest - Deine Aussage stimmt nur für monochrome SuFlus!
Benutzeravatar
jm2_de
Hyper-User
Hyper-User
Beiträge: 1188
Registriert: Sa, 06.01.07, 01:26

So, 09.09.07, 18:18

Sailor hat geschrieben:Hättest Du auch, wenn Du RGB-SuFlus verwendet hättest - Deine Aussage stimmt nur für monochrome SuFlus!
Das versteckte RGB hab ich überlesen :roll:
Benutzeravatar
Jay
Hyper-User
Hyper-User
Beiträge: 1096
Registriert: Mo, 08.05.06, 07:54
Wohnort: Österreich

So, 09.09.07, 18:31

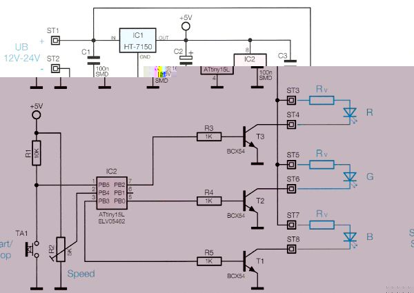
am schönsten wäre ein RGB Treiber von ELV ;-)
526_RGBTreiber_1.jpg
[/url]

MfG
Jay
MasterSonic
User
User
Beiträge: 21
Registriert: So, 02.09.07, 15:00

So, 09.09.07, 19:16

hey leute,

nicht schlagen falls ich das irgendwo überlesen habe, aber ich frag mich die ganze zeit waum muss man in die PLUS leitung einen R bauen und in die MINUS leitung auch? In dem fall halt einen poti!?

MFG
Benutzeravatar
Sailor
Moderator
Beiträge: 9427
Registriert: Di, 28.11.06, 22:16
Wohnort: Saarland, Deutschland und die Welt

So, 09.09.07, 19:41

Oben habe ich schon geschrieben, dass dieser Zentralwiderstand nicht gut ist.

In Reihe zum Poti sollte ein Widerstand, der den Strom auf das für die LED erträgliche Maß begrenzt, wenn das Poti auf Null Ohm gedreht wird. Außerdem entlastet der Widerstand das Poti, weil ein Teil der Leistung über dem Widerstand und ein anderer Teil über dem Poti in Wärme umgesetzt wird. Wenn eine Farbe auf "voll Hell" gedreht wird, muss das Poti sogar überhaupt keine Leistung verbraten.

Normale Potis mögen nicht so viel Leistung.
jini67
Mini-User
Beiträge: 2
Registriert: So, 09.09.07, 14:10

So, 09.09.07, 21:24

Danke erstmal für die Infos ich muß mir das denn erstmal genauer anschauen!
Antworten