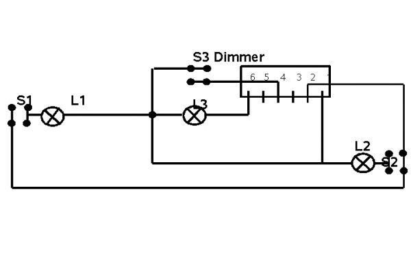
Die blaue Verbindung vernichtet eine der Sicherungen und/oder die Dimmerschaltung.
Um die Lämpchen parallel zu schalten, müsste mit der Leitung zwischen S1 und L1 sowie der Leitung zwischen L2 und S2 (bei Dir fälschlicherweise auch mit S3 berzeichnet, der rechte Schalter ist gemeint) verbunden werden.
Da dann die Dimmerschaltung mit dem Strom aller drei Birnchen klarkommen muss und ich nicht weiss, ob sie das kann, würde ich das erst nach dem Einbau der LED´s machen.
Wenn Du kein Messgerät hast oder schnell einen
"Phasenprüfer fürs Auto" benötigst, bau ihn Dir selbst:
rote Leitung - Diode in Durchlassrichtung - Widerstand - LED in Durchlassrichtung - schwarze Leitung
Das ganze in ein Stück Kraftstoffleitung oder Aqarien-Luftschlauch gezogen, dass die schwarze Leitung etwa 50 cm und die rote Leitung etwa 2 cm aus dem Schlauch herausragt. Die offenen Enden des Schlauches mit Schrumpfschlauch verschließen, und dein "Phasenprüfer" ist fertig.
Natürlich kannst Du das ganze auch komplett in Schrumpfschlauch machen (nicht in schwarzen) oder auf einem Platinenabschnitt aufbauen und das ganze in ein durchsichtiges oder durchscheinendes Plastikröhrchen setzen.
Bei einer roten LED sollte der Widerstand 680 Ohm haben, wenn nur 560 Ohm da sind, machst Du eine zweite Diode mit rein.
Edit: Ich habe auf der Roten eine alte Messspitze mit eingeschrumpft (da hatte ich das Kabel mit dem Lötkolben erwischt

) und die Schwarze Leitung ist halt das noch intakte schwarze Kabel mit Messpitze.