Hochspannung
Moderator: T.Hoffmann
-
Tim Thiele
- Ultra-User

- Beiträge: 731
- Registriert: Do, 24.08.06, 22:44
Jepp, also mein Vater heißt Werner^^... Egal, Off Topic.
Ich habe hier noch ein Forum gefunden indem sehr viele solcher Experimente durchführt werden =)
mfg Michi
mfg Michi
- Neo
- Auserwählter

- Beiträge: 2631
- Registriert: Fr, 25.02.05, 23:22
- Wohnort: hessen-wisbaden
- Kontaktdaten:
also ctc vergesst ihr ma lieber schnell
hier 2 bessere Seiten
http://www.mosfetkiller.de/?s=zuendspule4
http://www.infogr.ch/roehren/zuendspule/default.htm
hier 2 bessere Seiten
http://www.mosfetkiller.de/?s=zuendspule4
http://www.infogr.ch/roehren/zuendspule/default.htm
-
Tim Thiele
- Ultra-User

- Beiträge: 731
- Registriert: Do, 24.08.06, 22:44
Ein Funken könnte doch auch über mehrere kurze Strecken gehen, z.B. ein Metallgitter, glaub das sähe noch besser aus.
Das sieht recht interessant aus:

->

Genau sowas will ich haben
Das sieht recht interessant aus:

->

Genau sowas will ich haben
-
Tim Thiele
- Ultra-User

- Beiträge: 731
- Registriert: Do, 24.08.06, 22:44
Was genau heißt antiparallel? Ich habe da bei conrad günstige Zündspule gefunden:
ZUENDSPULE ZS 1052-11 (H)
Ausgangsspannung: (Sekundär) 11 k V
Primär-Spannung: max. 300 V
für 2€
?
// Edit:
Angenommen ich bau mehrere Brücken, kann ich dann zwischen jeder die Strecke haben, oder insgesamt die Strecke^^?
ZUENDSPULE ZS 1052-11 (H)
Ausgangsspannung: (Sekundär) 11 k V
Primär-Spannung: max. 300 V
für 2€
// Edit:
Angenommen ich bau mehrere Brücken, kann ich dann zwischen jeder die Strecke haben, oder insgesamt die Strecke^^?
Zuletzt geändert von Tim Thiele am Sa, 14.10.06, 15:06, insgesamt 1-mal geändert.
-
Tim Thiele
- Ultra-User

- Beiträge: 731
- Registriert: Do, 24.08.06, 22:44
Jain, arbeitet der da mit 2 verschiedenen Spannungen?
24V
und
120V
Das ist ja auch in dem Sinn kein richtiger Schaltplan, mit rot/blau würd ich das besser verstehen xD
24V
und
120V
Das ist ja auch in dem Sinn kein richtiger Schaltplan, mit rot/blau würd ich das besser verstehen xD
-
Tim Thiele
- Ultra-User

- Beiträge: 731
- Registriert: Do, 24.08.06, 22:44
Wieso, die Primärspannung ist doch egal, kommt doch drauf an was hinten rauskommt?
KAUFE SCHALTPLAN XD
Ich hätte gerne einen anständigen Schaltplan mit zwei handelsüblichen Spulen, anti-parallel. Und die Leitungen bitte rot, blau und grün-gelb
Biete: 400 Credits
KAUFE SCHALTPLAN XD
Ich hätte gerne einen anständigen Schaltplan mit zwei handelsüblichen Spulen, anti-parallel. Und die Leitungen bitte rot, blau und grün-gelb
Biete: 400 Credits
-
Plasmaniac
- User

- Beiträge: 12
- Registriert: Mi, 12.07.06, 23:18
Ist ja schlimm was hier abgeht, ich glaub ich räum ma etwas auf
1kV kann an der luft und bei normaldruck ab ca 1mm "springen".
So wie das hier aussieht sind eure Elektronikkenntnisse ehm... noch nicht sehr ausgeprägt, ich würde euch auf jeden fall von HV Projekten jeglicher Art abraten. Da kann sehr vieles sehr schnell sehr weh tun. Glaubt mir.
schaltplan:
http://plasmaniac.pl.funpic.de/Universalzerhacker.html
statt einer spule einfach 2 antiparallel drantun. also eine verkehrt herum. 400creditspls
EDIT: natürlich AUTOZÜNDSPULEN. die von conrad kannst inne tonne kloppen.
Also, 1. Haben wir hier in deutschland 230V an der steckdose 2. ist das ne 4 facherkaskade (also eingangsspannung*4) und 3. musst da da von der spitzeneingangsspannung ausgehen. Also ca 325V*4. Anders würde ich aus meiner 3facherkaskade ja nicht 1kVDC rausbekommen.Tim Thiele hat geschrieben:Weiß nicht ob die Schaltsymbole so ganz richtig sind, aber in etwa so?
1kV kann an der luft und bei normaldruck ab ca 1mm "springen".
So wie das hier aussieht sind eure Elektronikkenntnisse ehm... noch nicht sehr ausgeprägt, ich würde euch auf jeden fall von HV Projekten jeglicher Art abraten. Da kann sehr vieles sehr schnell sehr weh tun. Glaubt mir.
schaltplan:
http://plasmaniac.pl.funpic.de/Universalzerhacker.html
statt einer spule einfach 2 antiparallel drantun. also eine verkehrt herum. 400creditspls
EDIT: natürlich AUTOZÜNDSPULEN. die von conrad kannst inne tonne kloppen.
Zuletzt geändert von Plasmaniac am Sa, 14.10.06, 15:26, insgesamt 2-mal geändert.
-
Tim Thiele
- Ultra-User

- Beiträge: 731
- Registriert: Do, 24.08.06, 22:44
Bevor du dich hier zu unseren Elektronikkentnissen äußerst solltest du erstmal den ganzen Beitrag lesen.
Ich arbeite grundsätzlich mit FI-Schaltern und Überspannungsableitern und hinter einer Sicherheitsscheibe.
Gruß,
Tim Thiele.
PS:
Schaltplan selbst erstellen, und wie abgemacht mit ANTIPARALLEN Zündspulen die ich in einem sortierten ELaden bekomme UND farbigen Leitungen...
Ich arbeite grundsätzlich mit FI-Schaltern und Überspannungsableitern und hinter einer Sicherheitsscheibe.
Gruß,
Tim Thiele.
PS:
Schaltplan selbst erstellen, und wie abgemacht mit ANTIPARALLEN Zündspulen die ich in einem sortierten ELaden bekomme UND farbigen Leitungen...
-
Plasmaniac
- User

- Beiträge: 12
- Registriert: Mi, 12.07.06, 23:18
Tim Thiele hat geschrieben:Was genau heißt antiparallel?
Tim Thiele hat geschrieben:Hab mal einen Kondesator mit 220V aufgeladen, das hat ganz schön geknallt, aber nur einmal Razz
Und schutzscheibe und FI kann man wohl nicht als elektronikkenntnisse bezeichnenTim Thiele hat geschrieben:woher bekommt man denn so einen Trenntrafo, und wie verinngert sich die Stärke durch jede Diode/Konsdi?
Ausserdem: Schau doch mal wie die url heisst. das ist meine homepage, ich hab die schaltpläne selber erstellt.
http://plasmaniac.pl.funpic.de/
hier meine neue homepage, ist noch im aufbau also funtzen noch viele links nicht. http://home.arcor.de/schwermetaller/HPtest/
-
TeslaCoilBuilder
- Mini-User
- Beiträge: 5
- Registriert: Mo, 22.05.06, 19:28
- Kontaktdaten:
hi
ich geb auch ma mein senf dazu
die conradspülchen taugen nix, erstma haste da kaum power da die nur zum triggern für blitzröhren gedacht sind und zum anderen kann man die nicht annähernd so weit überpowern wie zündspulen aus nem auto
zündspule is nich gleich zündspule
mit ner kaskade von 230Vac auf 5-10cm funkenlänge zu kommen wird sehr teuer werden und bis da mal was am ausgang rauskommt dauerts auch "ewig"
aber wer nicht weiß was antiparrallel bedeute und es nicht schaft 1 oder 2 zündspule anzusteuern sollte von so hohen spannungen lieber die finger lassen
jop da is richtig der vdr soll nur den transistor schützen
ich geb auch ma mein senf dazu
die conradspülchen taugen nix, erstma haste da kaum power da die nur zum triggern für blitzröhren gedacht sind und zum anderen kann man die nicht annähernd so weit überpowern wie zündspulen aus nem auto
zündspule is nich gleich zündspule
mit ner kaskade von 230Vac auf 5-10cm funkenlänge zu kommen wird sehr teuer werden und bis da mal was am ausgang rauskommt dauerts auch "ewig"
aber wer nicht weiß was antiparrallel bedeute und es nicht schaft 1 oder 2 zündspule anzusteuern sollte von so hohen spannungen lieber die finger lassen
klar nur n bißchen muss schon rein damit was rauskommt sonst funzt das auch nichWieso, die Primärspannung ist doch egal, kommt doch drauf an was hinten rauskommt?
jop da is richtig der vdr soll nur den transistor schützen
Zuletzt geändert von TeslaCoilBuilder am Sa, 14.10.06, 15:43, insgesamt 1-mal geändert.
-
Tim Thiele
- Ultra-User

- Beiträge: 731
- Registriert: Do, 24.08.06, 22:44
Ich werde wohl einfach diese Greinacherschaltung so oft wie möglich hintereinander schalten.

-
TeslaCoilBuilder
- Mini-User
- Beiträge: 5
- Registriert: Mo, 22.05.06, 19:28
- Kontaktdaten:
naja viel spaß brauchst ja nur etwas über 150 dioden und kondis bei 230Vac, da aber an den dioden auch etwas spannung abfällt werdens noch n paar mehr
-
Plasmaniac
- User

- Beiträge: 12
- Registriert: Mi, 12.07.06, 23:18
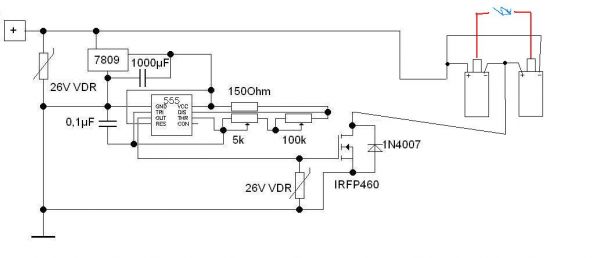
Bitteschön, 2 antiparallele Zündspulen.
Jetzt hab ich mich extra wegen der Unwisenheit hier angemeldet (mein alter Account funzt nicht mehr -.-):
Passt auf was ihr macht, ich könnt euch mir dem Zeug hier schneller killen als ihr glaubt!
Wenn ihr schon nicht wisst wo die Schaltpläne zu finden sind, lasst die Finger davon. Fangt klein an. Alles andere ist Selbstmord.
Ich habe hier soviel Unwissenheit gelesen....nix gegen euch, aber das kann echt ins Auge gehen. Selbst plasmas Zündspulen haben schon genug Power um auf 24V unschön zu enden (ich weiß wovon ich spreche, da ist ne Menge Leistung im Spiel). Am besten ihr probiert erstmal den Kram vom Mosfetkiller aus. Kaskaden etc. sind, bei entsprechender Kapazität, saugefährlich!
Passt auf was ihr macht, ich könnt euch mir dem Zeug hier schneller killen als ihr glaubt!
Wenn ihr schon nicht wisst wo die Schaltpläne zu finden sind, lasst die Finger davon. Fangt klein an. Alles andere ist Selbstmord.
Ich habe hier soviel Unwissenheit gelesen....nix gegen euch, aber das kann echt ins Auge gehen. Selbst plasmas Zündspulen haben schon genug Power um auf 24V unschön zu enden (ich weiß wovon ich spreche, da ist ne Menge Leistung im Spiel). Am besten ihr probiert erstmal den Kram vom Mosfetkiller aus. Kaskaden etc. sind, bei entsprechender Kapazität, saugefährlich!
-
Tim Thiele
- Ultra-User

- Beiträge: 731
- Registriert: Do, 24.08.06, 22:44
Bist du total bescheuert? 230 Volt und dann 150 DiodenTeslaCoilBuilder hat geschrieben:naja viel spaß brauchst ja nur etwas über 150 dioden und kondis bei 230Vac, da aber an den dioden auch etwas spannung abfällt werdens noch n paar mehr
Und mich regen diese ganzen neuen Leute auf die nicht lesen können, sagt mal, wenn man FI-Schalter, Überspannungsschutz hat und hinter einer Sicherheitsscheibe arbeitet kann ein *Haufen* passieren.
Außerdem entsteht kein Lichtbogen sondern nur ein kleiner Blitz, und das hinter einer Scheibe...
Zuletzt geändert von Tim Thiele am Sa, 14.10.06, 16:11, insgesamt 2-mal geändert.
-
TeslaCoilBuilder
- Mini-User
- Beiträge: 5
- Registriert: Mo, 22.05.06, 19:28
- Kontaktdaten:
ey ma nich frech werden ja
und wie Mr_T schon sagt wenn man so denk sollte man trotz sicherheitsvorkehrung wirklich die finger davon lassen
Ich distanziere mich von allem was du tust, es is dein leben
und wie Mr_T schon sagt wenn man so denk sollte man trotz sicherheitsvorkehrung wirklich die finger davon lassen
Ich distanziere mich von allem was du tust, es is dein leben
-
Tim Thiele
- Ultra-User

- Beiträge: 731
- Registriert: Do, 24.08.06, 22:44
a) Sind hier Beleidigungen jeglicher Art nicht erwünscht, auch nicht Noob oder ähnliches. Gewöhn dir das ganz schnell ab sonst machst du dich nur unbeliebt.
b) Helfen dann aber auch keine 150 Dioden, wobei wieso überhaupt 150, woher willst du wissen auf wieviel kV ich will...
c) Hab ich das ganze fertig mit den Conradspülchen und komm auf 11kV.
d) Ein letztes mal: Ich arbeite mit FI-, Überspannungschutz und hinter einer Sicherheitsscheibe...
b) Helfen dann aber auch keine 150 Dioden, wobei wieso überhaupt 150, woher willst du wissen auf wieviel kV ich will...
c) Hab ich das ganze fertig mit den Conradspülchen und komm auf 11kV.
d) Ein letztes mal: Ich arbeite mit FI-, Überspannungschutz und hinter einer Sicherheitsscheibe...
Sach ma was bist du für ein Vollspacken, du hast deinen Post editiert. So ein Extremfall von Ignoranz und, sorry, Dummheit, ist MIR noch nicht untergekommen. Das sieht doch jeder!
Zitat von davor:
10 Dioden -> 7,36 kV
20 Dioden -> 235,52 kV
30 Dioden -> ~7,536 MV
40 Dioden -> ~241 MV
50 Dioden -> 7,716 TERRA VOLT!
und im moment habe ich ca. 15 Zeugen dafür, dies hab ich nämlich auch im CTC-Labs-Chat gepostet. Viel Spaß damit.
€dit: Wenn ich mich unbeliebt mache, von mir aus. Ich sage nur die wahrheit. Leider. Wenn du was gegen mich/uns hast, ist mir das auch egal. Schmeißt mich von mir aus raus, bannt mich oder was auch immer. Aber ich habe euch nur gewarnt.
Zitat von davor:
10 Dioden -> 7,36 kV
20 Dioden -> 235,52 kV
30 Dioden -> ~7,536 MV
40 Dioden -> ~241 MV
50 Dioden -> 7,716 TERRA VOLT!
und im moment habe ich ca. 15 Zeugen dafür, dies hab ich nämlich auch im CTC-Labs-Chat gepostet. Viel Spaß damit.
€dit: Wenn ich mich unbeliebt mache, von mir aus. Ich sage nur die wahrheit. Leider. Wenn du was gegen mich/uns hast, ist mir das auch egal. Schmeißt mich von mir aus raus, bannt mich oder was auch immer. Aber ich habe euch nur gewarnt.

